纳芯威 纳芯威
  • 首页
  • 产品中心
    • 音频功放管理
      • AB类音频功放
      • AB/D类音频功放
      • D类音频功放
      • G类音频功放
      • I2S音频功放
      • K类音频功放管理
    • DC-DC电源管理
    • 锂电池充电管理
    • 景观灯驱动
    • LED车灯驱动
    • 电阻触摸屏
    • TWS蓝牙充电管理
    • VIN-OVP过压保护
  • 解决方案
    • 电源解决方案
    • 音频解决方案
    • 产品选型表
  • 公司简介
    • 公司介绍
    • 公司文化
    • 企业荣誉
  • 新闻中心
    • 公司动态
    • 行业动态
  • 联系我们
    • 联系方式
    • 在线留言
    • 加入我们
英文 中文
  • 简体中文
  • English
  • 首页
    • 产品中心
      • 音频功放管理
      • DC-DC电源管理
      • 锂电池充电管理
      • 景观灯驱动
      • LED车灯驱动
      • 电阻触摸屏
      • TWS蓝牙充电管理
      • VIN-OVP过压保护
    • 解决方案
      • 电源解决方案
      • 音频解决方案
      • 产品选型表
    • 公司简介
      • 公司介绍
      • 公司文化
      • 企业荣誉
    • 新闻中心
      • 公司动态
      • 行业动态
    • 联系我们
      • 联系方式
      • 在线留言
      • 加入我们
    返回主菜单
      • 英文
      • 中文
    关闭
    产品中心
    音频功放管理
    DC-DC电源管理
    锂电池充电管理
    景观灯驱动
    LED车灯驱动
    电阻触摸屏
    TWS蓝牙充电管理
    VIN-OVP过压保护
    解决方案
    电源解决方案
    音频解决方案
    产品选型表
    公司简介
    公司介绍
    公司文化
    企业荣誉
    新闻中心
    公司动态
    行业动态
    联系我们
    联系方式
    在线留言
    加入我们
    • 首页 >> 产品中心 >> LED车灯驱动
    • 产品中心
    • 音频功放管理
      • AB类音频功放
      • AB/D类音频功放
      • D类音频功放
      • G类音频功放
      • I2S音频功放
      • K类音频功放管理
    • DC-DC电源管理
    • 锂电池充电管理
    • 景观灯驱动
    • LED车灯驱动
    • 电阻触摸屏
    • TWS蓝牙充电管理
    • VIN-OVP过压保护

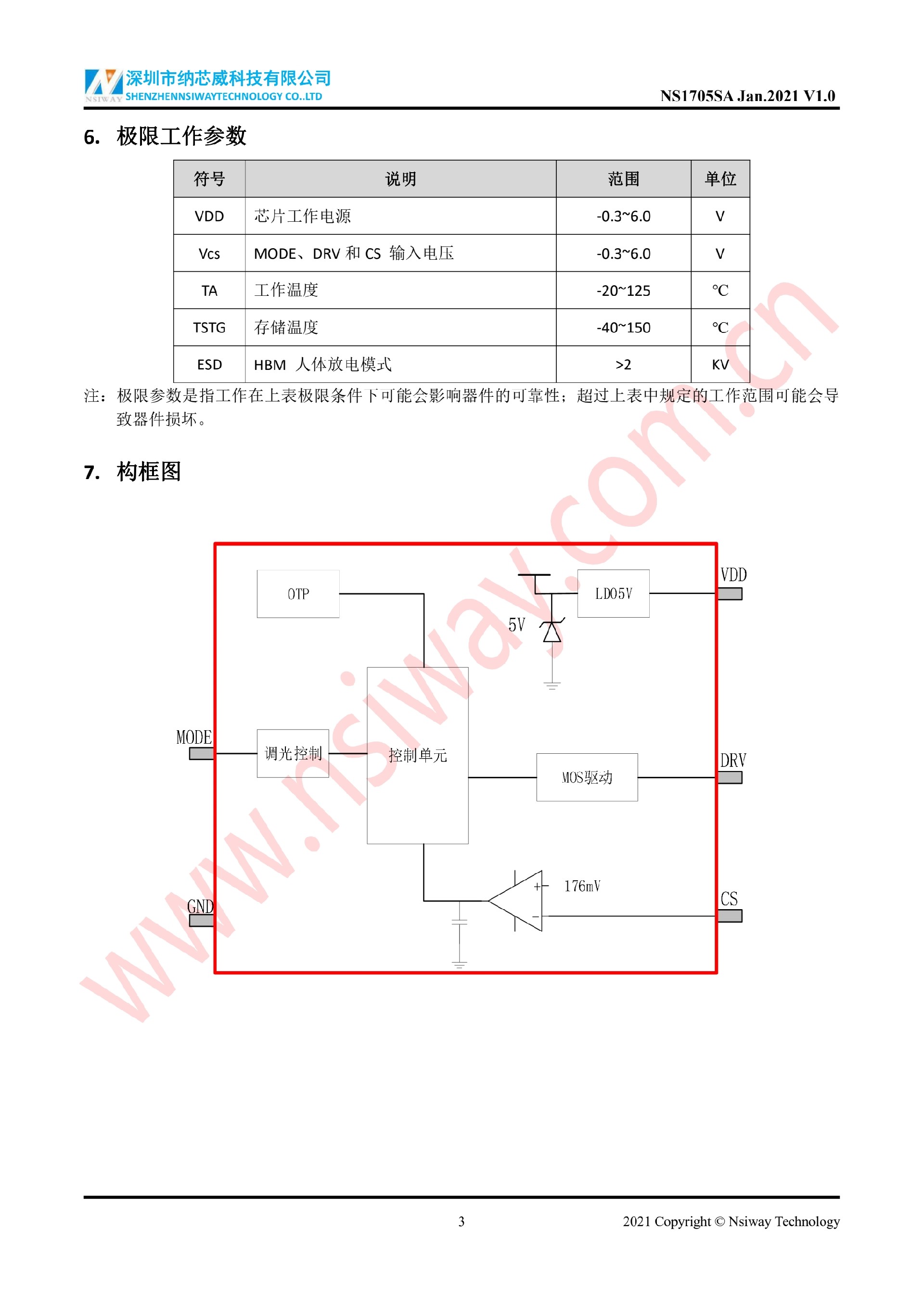
    NS1705SA 外置 MOS 管开关降压型 LED 恒流驱动器


    分享

    • 上一篇:NS1705B 内置 MOS 管开关降压型 LED 恒流驱动器

    • 下一篇:NS1705SC 外置 MOS 管开关降压型 LED 恒流驱动器

    返回

    产品中心
    音频功放管理
    DC-DC电源管理
    锂电池充电管理
    景观灯驱动
    LED车灯驱动
    电阻触摸屏
    TWS蓝牙充电管理
    VIN-OVP过压保护
    解决方案
    电源解决方案
    音频解决方案
    产品选型表
    公司简介
    公司介绍
    公司文化
    企业荣誉
    新闻中心
    公司动态
    行业动态
    联系我们
    联系方式
    在线留言
    加入我们

    联系我们

    0755-86169080

    nsiway@nsiway.com.cn

    深圳市南山区西丽街道西丽社区留新四街万科云城三期C区八栋A座3202房

    启芯

    Copyright ©深圳市纳芯威科技有限公司 All Rights Reserved.   粤ICP备16063568号  

    • 隐私
    • Xml